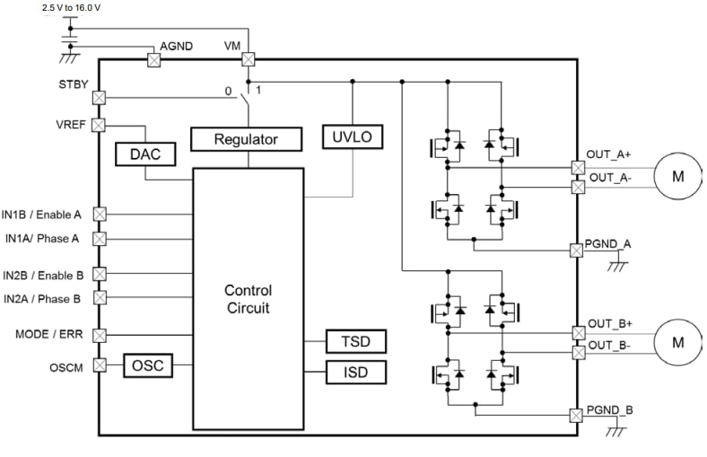
Toshiba TC78H660FTG Dual H-Bridge Driver
Toshiba TC78H660FTG Dual H-Bridge Driver supports one or two DC brushed motors incorporating DMOS with low on-resistance in output transistors. This PWM-controlled constant-current driver comes in a small 16-pin QFN package with a thermal pad. The TC78H660FTG driver IC features a built-in dual H-bridge, sense-resistor less current control architecture (advanced current detection system), and a VCC regulator for the internal circuit. This dual H-bridge driver offers Thermal Shutdown (TSD), Overcurrent Detection, and Under-Voltage Lockout (UVLO) error detections with an error detection (TSD/ISD) flag output function.
Features
- Built-in dual H-Bridge
- PWM-controlled constant-current drive
- 2.5V to 16V power supply operating voltage
- 2A output current ratings (maximum)
- Low on-resistance (high + low side = 0.48Ω (typical)) MOSFET output stage
- Built-in sense resistor less current control architecture (advanced current detection system)
- Error detection (TSD/ISD) flag output function
- Built-in VCC regulator for an internal circuit
- Multi-error detection functions
- Thermal Shutdown (TSD)
- Over-current Shutdown Detection (ISD)
- Under-Voltage Lockout (UVLO)
- The chopping frequency of a motor can be adjusted by an external resistor
- Selectable forward/reverse/stop/brake modes
- Small QFN package with thermal pad (16 pins)
Block Diagram
Additional Resource
Publicado: 2020-02-07
| Actualizado: 2025-12-05
