Equipos de control de motor DK-LM3S-DRV8312 de Texas Instruments para MCU Stellaris®
Equipos de control de motor DK-LM3S-DRV8312 de Texas Instruments para MCU Stellaris®

Ver lista de productos

Recursos adicionales

Equipo de control de motor DK-LM3S-DRV8312 de TI
para MCU Stellaris®

El equipo de control de motor DK-LM3S-DRV8312 de Texas Instruments para microcontroladores Stellaris® es una plataforma de desarrollo para motores giratorios CA y CC sin escobillas trifásicos. El equipo de control de motor DK-LM3S-DRV8312 de TI contiene un módulo rentable controlCARD basado en MCU LM3S818 Stellaris compatible con otras plataformas de control de motor TI. Además de girar al instante un motor, el equipo de control de motor DK-LM3S-DRV8312 de TI también demuestra las ventajas operativas de la solución de control del motor BLDC InstaSPN con ajuste simplificado, adaptación de aceleración inmediata, funcionamiento de baja velocidad fiable, etc. La solución Crosshairs incluida permite a los usuarios controlar y monitorizar la solución total mediante una aplicación sencilla de usar de PC que puede ampliarse para aplicaciones finales.


Contenido del equipo
  • Módulo controlCARD MDL-LM3S818CNCD
    • Minicontrolador Stellaris de 50 MHz ARM® Cortex®-M3 LM3S818 con interfaz de depuración de errores en circuito (ICDI) Stellaris
    • Factor de forma DIMM conectable de 100 pines
    • Habilitación de aislamiento automático tras conectar la depuración
  • Placa base DRV8312 (placa de controlador de motor 3P integrado de TI que admite hasta 52,5 V y 6,5 A)
  • Motor NEMA17 BLDC/PMSM de 55 W
  • Adaptador de alimentación de CC de 24 V y 2,5 A, entrada de CA de 110-240 V, cable de alimentación de EE. UU.
  • Cable de enchufe USB-miniB a USB-A (para depuración y comunicación en serie)
  • CD del equipo:
    • Documentación completa
    • Utilidad de programador LM Flash para actualizaciones del firmware
    • GUI Crosshairs
    • Código fuente aplicable
    • Esquema
  • Entorno de desarrollo integrado (IDE) Code Composer Studio™ de TI

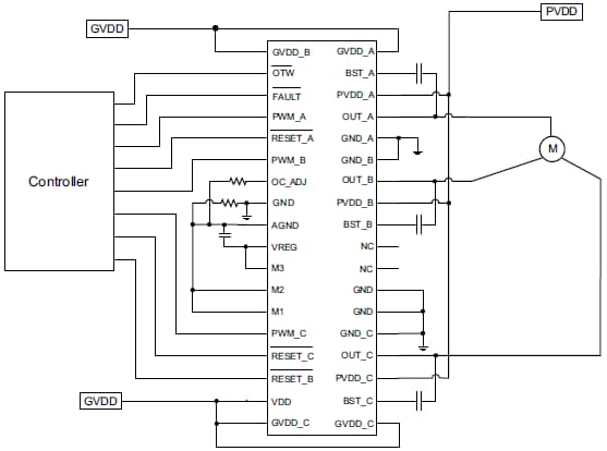
Diagrama de aplicaciones DRV8312

Diagrama de aplicaciones de DRV8312

Diagrama de bloques de LM3S818

LM3S818 Block Diagram
  • Texas Instruments
  • Industrial
  • Development Tools
Publicado: 2017-05-26 | Actualizado: 2017-05-26