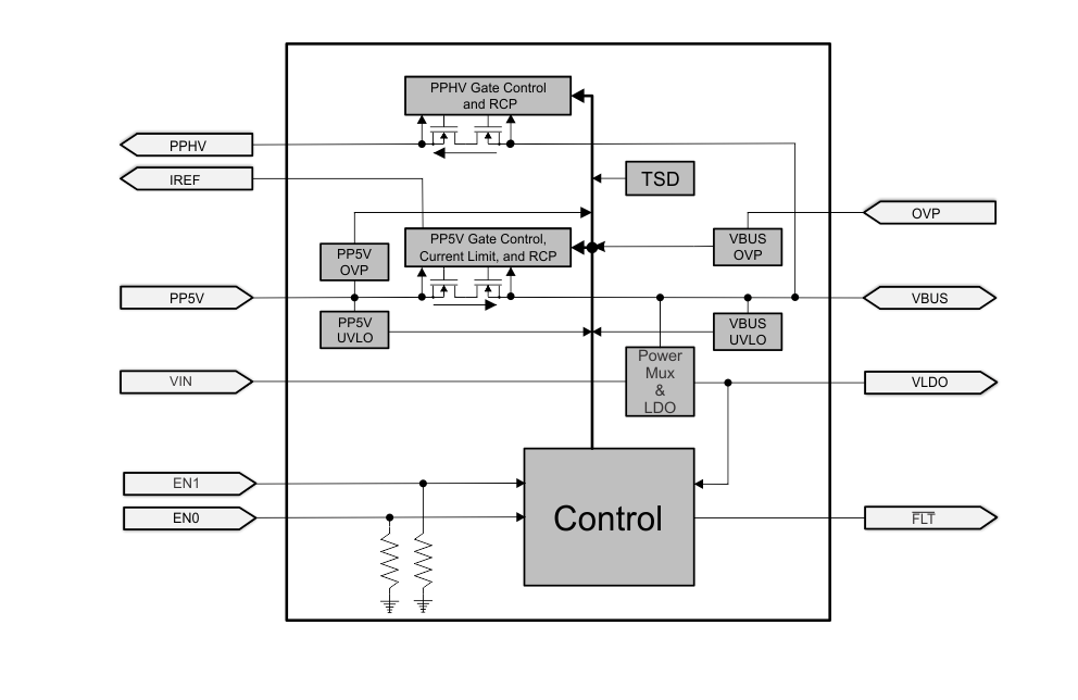
Texas Instruments TPS6602x Integrated Source/Sink Power Multiplexers
Texas Instruments TPS6602x Integrated Source and Sink Power Multiplexers contain an integrated 5V Source power path and a 4V to 22V Sink power path. The 5V Source path limits the output current to a safe level. This safe level is achieved by operating in a constant-current mode when the output load exceeds the selected current-limit threshold. Each power path supports overtemperature and reverse current protection.VBUS has overvoltage protection, with its level being set by an optional external resistor divider. If no overvoltage protection is desired, it may be disabled by grounding the OVP terminal. The TPS6602x series supports a fault pin that indicates overcurrent and overtemperature events.
The Texas Instruments TPS6602x series also supports a high-voltage VBUS LDO regulator (3.3V or 5V per device type), useful for supplying power to the device and other system components when operating in dead battery conditions. The TPS66020 regulates to 3.3V, and the TPS66021 regulates to 5V.
Features
- Integrated 30mΩ (typical), 32V tolerant NFET 5V source path, up to 3A
- Integrated 22mΩ (typical), 32V tolerant NFET 4V to 22V sink path, up to 5A
- Selectable current limit for 5V source path
- Built-in soft-start to limit in-rush currents
- Integrated high voltage VBUS LDO regulator (3.3V or 5.0V per device type)
- Optional VBUS overvoltage protection via pin configuration
- System supply and VBUS undervoltage protection
- 5V system supply overvoltage protection
- Overtemperature protection
- Reverse-current protection
- Fault pin with de-glitched fault reporting
- Support for fast role swap
- IEC/UL Certificate No. US-34369-UL
- Standards: IEC 62368-1 Ed. 2, UL 2367 Ed. 1
- Small footprint WCSP packaging, no HDI required
Applications
- Desktop PC/motherboard
- Standard notebook PC
- Chromebook and WOA
- Docking station
- Port/cable adapters and dongles
Block Diagram
Publicado: 2020-01-24
| Actualizado: 2024-05-13
