Texas Instruments TPS16530 58V 4.5A eFuse

Texas Instruments TPS16530 58V 4.5A eFuse is an easy-to-use, positive eFuse with a 31mΩ integrated FET. Protection for the load, source, and eFuse itself are provided along with adjustable features such as accurate overcurrent protection, fast short circuit protection, output slew rate control, and undervoltage lockout. PGOOD can be used to enable and disable control of the downstream DC-DC converters.

The enable pin provides external control for enabling and disabling the internal FET. The shutdown pin can be used for putting the device into a low power shutdown mode. For system status monitoring and downstream load control, the device provides fault and precise current monitor output. The MODE pin allows flexibility to configure the device between the two current-limiting fault responses (latch off and auto-retry).

The Texas Instruments TPS16530 is available in 20-pin HTSSOP and 24-pin VQFN packages and is specified over a –40°C to +125°C temperature range.

Features

  • 4.5V to 58V operating voltage, 67V absolute maximum
  • Integrated 58V, 31mΩ RON Hot-Swap FET
  • 0.6A to 4.5A adjustable current limit (±7%)
  • IPC9592B clearance for 56V operation (20-pin HTSSOP)
  • 2x pulse current support for load transients
  • Low quiescent current, 21µA in shutdown
  • Adjustable UVLO cut off with ±2% accuracy
  • Adjustable output slew rate control for inrush current limiting
  • Charges large and unknown capacitive loads through thermal regulation during device power up
  • Power Good Output (PGOOD)
  • Selectable overcurrent fault response options between Auto-Retry and Latch Off (MODE)
  • Analog current monitor (IMON) output (±6%)
  • Available in easy-to-use 20-pin HTSSOP and 24-pin VQFN packages

Applications

  • Power amplifier protection in telecom radios
  • Medical equipment
  • Fire alarm control panels
  • Industrial printers

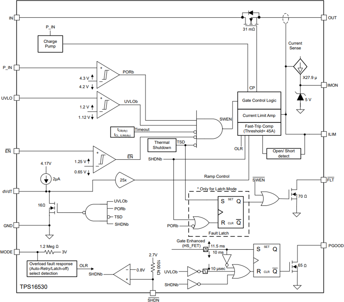
Functional Block Diagram

Block Diagram - Texas Instruments TPS16530 58V 4.5A eFuse
Publicado: 2021-09-01 | Actualizado: 2022-03-11