Productos nacionales de amplificadores de detección de corriente y ganancia fija de 60 V LMP8602 / LMP8603 de Texas Instruments

Amplificadores de detección de corriente y ganancia fija de 60 V LMP8602 / LMP8603 de Texas Instruments

Los amplificadores de precisión de detección de corriente y ganancia fija de 60 V LMP8602 / LMP8603 de Texas Instruments amplifican y filtran pequeñas señales diferenciales en presencia de tensiones elevadas de modo común. El intervalo de tensión del modo común de entrada de estos dispositivos TI es de -22 V a +60 V al funcionar desde una sola alimentación de 5 V. El intervalo de tensión de modo común de entrada, con alimentación de 3,3 V, es de -4 V a +27 V. Los amplificadores de precisión de detección de corriente y ganancia fija de 60 V LMP8602 y LMP8603 de TI son miembros de la familia LMP® y son ideales para utilizar en aplicaciones de detección de corriente unidireccional y bidireccional. El LMP8602 tiene una ganancia precisa de 50x mientras que el LMP8603 tiene una ganancia precisa de 100x. Estas cifras de ganancia precisa pueden accionar un ADC en todo su valor de escala en la mayoría de las aplicaciones objetivo. El LMP8602Q y LMP8603Q incorporan procesos de soporte y fabricación mejorados para el mercado de la automoción, incluidas las metodologías de detección de defectos.

Características
  • A menos que se indique lo contrario, los valores típicos a TA=25 °C, VS=5,0 V, Ganancia=50x (LMP8602), Ganancia=100x (LMP8603)
  • TCVos: 10 μV/°C máx.
  • CMRR: 90 dB mín.
  • Tensión de compensación de entrada: 1 mV máx.
  • CMVR a VS=3,3 V: de −4 V a 27 V
  • CMVR a VS=5,0 V: de −22 V a 60 V
  • Intervalo de temperaturas ambiente de funcionamiento: de -40 ºC a +125 ºC
  • Funcionamiento bidireccional de una sola alimentación
  • Todos los límites mín. y máx. 100% probados
Aplicaciones
  • Detección de corriente de configuración de controlador de lado bajo y lado alto
  • Medición de corriente bidireccional
  • Bucle de corriente para conversión de tensión
  • Control de inyección de combustible de automoción
  • Control de transmisión
  • Dirección asistida
  • Sistemas de gestión de baterías

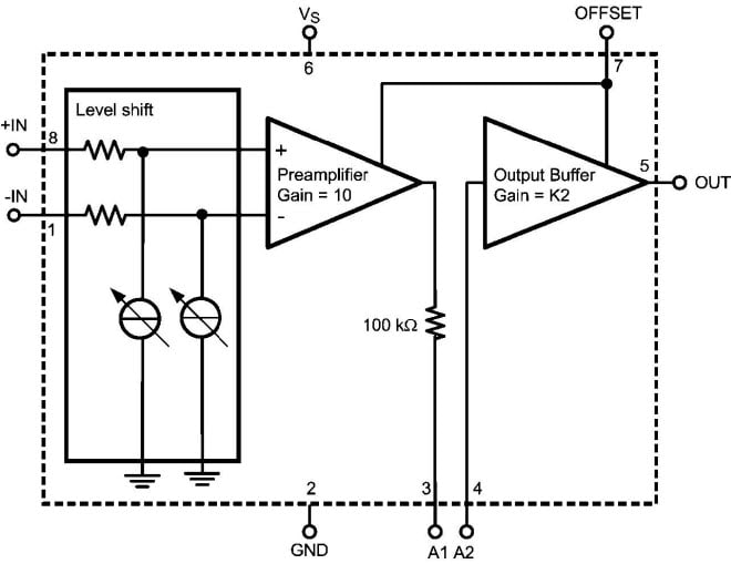
Diagrama de bloques

Diagrama de bloques

Aplicaciones típicas


Aplicaciones típicas
  • Texas Instruments
Publicado: 2012-03-05 | Actualizado: 2022-03-11