Regulador de conmutación LM25011 de Texas Instruments

Regulador de conmutación LM25011 de Texas Instruments

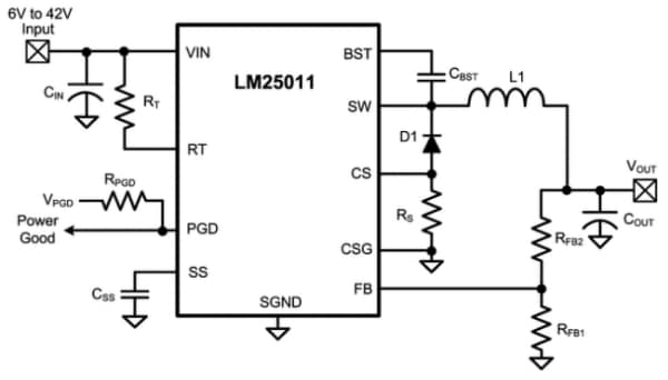
El regulador de conmutación de descenso de tensión con control de tiempo de conexión constante LM25011 de Texas Instruments incorpora todas las funciones necesarias para implementar un regulador de polarización de tipo Buck eficiente y rentable con capacidad para suministrar una corriente de carga de hasta 2 A. Este regulador de alta tensión contiene un conmutador tipo Buck de canal N, un regulador de arranque, detección del límite de corriente y control de rizado interno. El principio de regulación de tiempo de conexión constante no requiere compensación de bucle, lo que permite una respuesta rápida a los elementos transitorios de carga y simplifica la implementación de circuitos. La frecuencia de funcionamiento se mantiene constante con la línea y la carga. La detección de límite de corriente valle ajustable permite una transición suave del modo de tensión constante al modo de corriente constante cuando se alcanza el límite de corriente, sin necesidad de utilizar plegado de límite de corriente. La salida PGD indica que la tensión de salida ha aumentado hasta dentro del 5% del valor de regulación esperado. Funciones adicionales incluyen: rizado de salida bajo, bloqueo por tensión demasiado baja de VIN, sincronización de arranque suave ajustable, precarga de activación de puerta, bloqueo por tensión demasiado baja de activación de puerta y límite máximo de ciclo de trabajo. El LM25011A presenta un tiempo de desactivación mínimo más corto que el LM25011, lo que permite el funcionamiento a frecuencia más alta con tensiones de entrada bajas.


Características
  • El LM25011Q es un producto para automoción calificado con el grado 1 AEC-Q100 (temperatura de unión en funcionamiento de -40 °C a +125 °C)
  • LM25011A permite funcionamiento de baja desconexión a frecuencia de conmutación alta
  • Intervalo de tensión de entrada de funcionamiento: de 6 V a 42 V
  • Entrada nominal máxima absoluta: 45 V
  • Interruptor tipo Buck integrado de canal N de 2 A
  • El límite de corriente ajustable permite una reducción del inductor
  • Tensión de salida ajustable desde 2,51 V
  • Tensión de rizado mínima a VOUT
  • Salida de potencia correcta
  • Frecuencia de conmutación ajustable hasta 2 MHz


  • Características de la topología COT:
    • La frecuencia de conmutación permanece prácticamente constante con las variaciones de corriente de carga y tensión de entrada
    • Respuesta transitoria ultrarrápida
    • No se requiere compensación de bucle
    • Operación estable con condensadores cerámicos de salida
    • Permite utilizar un condensador de salida y resistencia de detección de corriente de menor tamaño
  • Sincronización de arranque suave ajustable
  • Apagado térmico
  • Referencia retroalimentación del 2% de precisión
  • Paquete: 10 pines, VSSOP

Aplicación habitual
Aplicación habitual

Diagrama funcional
Diagrama funcional

eNews
  • Texas Instruments
Publicado: 2014-05-08 | Actualizado: 2022-03-11