Texas Instruments ISOW1044DFMEVM Transceiver Evaluation Module
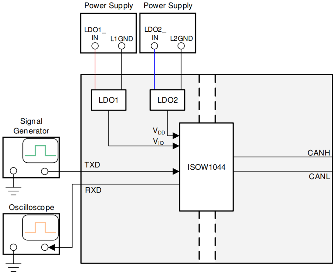
Texas Instruments ISOW1044DFMEVM Transceiver Evaluation Module (EVM) is used to evaluate the ISOW1044. The ISOW1044 is a high-performance, 5000VRMS reinforced isolated CAN transceiver with integrated high-efficiency, low-emissions DC-DC converter ISOW1044 in 20-pin WB SOIC package (package code-DFM). The ISOW1044DFMEVM enables a user to evaluate the ISOW1044 device thoroughly before incorporating the device into their design. To facilitate the evaluation module to be powered from various power sources, including regulated power supplies, standard DC adaptors, and batteries, the evaluation module includes two adjustable output LDOs (LM317M). These LDOs are connected to the VIO and VDD pins of ISOW1044. This connection allows the LDO inputs to connect to a wider range of supply voltages. The optimum voltage for normal operation of the evaluation module is between 9V to 12V. The Texas Instruments ISOW1044DFMEVM also includes an onboard oscillator (LTC6908-1) that can be connected to the input pins (TXD and IN) of ISOW1044 through 0Ω resistors. The oscillator helps to provide a quick test signal to verify device operation.Features
- High-performance, 5000VRMS reinforced isolated CAN transceiver with Integrated high-efficiency, low-emissions DC-DC converter
- Separate IO and DC/DC supply inputs
- 1.71V to 5.5V wide supply voltage range for IO
- Supports CAN FD
- Meets CISPR 32 class B radiated emissions limits
- This evaluation module is tested and includes provisions for evaluation of device ISOW1044
Test Setup
Publicado: 2021-05-17
| Actualizado: 2022-03-11
