Texas Instruments ISO121x Isolated Digital Input Receivers
Texas Instruments ISO121x Isolated Digital Input Receivers are isolated 24V to 60V digital input receivers, compliant with IEC 61131-2 Type 1, 2, and 3 characteristics. These devices are suitable for programmable logic controllers (PLCs) and motor-control digital input modules. Unlike traditional optocoupler solutions with discrete, imprecise current limiting circuitry, the ISO121x devices provide a simple, low-power solution with an accurate current limit. This feature allows for the design of compact and high-density I/O modules. These devices do not require a field-side power supply and are configurable as sourcing or sinking inputs.The ISO121x operates over the supply range of 2.25V to 5.5V, supporting 2.5V, 3.3V, and 5V controllers. A ±60V input tolerance with reverse polarity protection helps to ensure the input pins are protected in case of faults with a negligible reverse current. These devices support up to 4Mbps data rates passing a minimum pulse width of 150ns for high-speed operation. The ISO1211 device is ideal for designs that require channel-to-channel isolation, and the ISO1212 device is perfect for multichannel space-constrained designs.
Features
- Compliant to IEC 61131-2; Type 1, 2, 3 characteristics
- Accurate current limit for low-power dissipation:
- 2.2mA to 2.47mA for Type 3
- Adjustable up to 6.5mA
- Accurate current limit for low-power dissipation:
- Eliminates the need for field-side power supply
- High input-voltage range with reverse polarity protection: ±60V
- Configurable as sourcing or sinking input
- High data rates up to 4Mbps
- High transient immunity of ±70kV/µs CMTI
- Wide supply range (VCC1): 2.25V to 5.5V
- Ambient temperature range of –40°C to +125°C
- Compact package options:
- Single-channel ISO1211, SOIC-8
- Dual-channel ISO1212, SSOP-16
- Safety-related certifications:
- Basic insulation per DIN V VDE V 0884-10
- UL 1577 recognition, 2500VRMS insulation
- CSA, CQC, TUV certificates are available
Applications
- Programmable Logic Controller (PLC):
- Digital input modules
- Mixed I/O modules
- Motor drive I/O and position feedback
- CNC control
- 48V systems
- Data acquisition
- Binary input modules
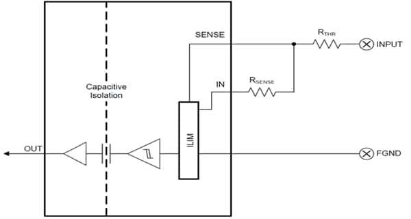
Functional Block Diagram
Publicado: 2017-11-15
| Actualizado: 2025-06-13
