Texas Instruments ESDS552 Bi-Directional ESD/Surge Protection Diode
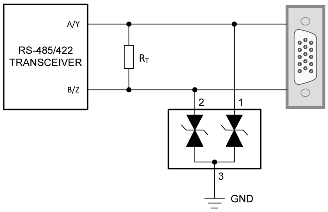
Texas Instruments ESDS552 Bi-Directional ESD/Surge Protection Diode is for RS-485 and RS-422 interface protection. The ESDS552 is rated to dissipate ESD strikes beyond the maximum level specified in the IEC 61000-4-2 international standard (±30kV contact, ±30kV air gap). The device can clamp 8/20µs surges with peak pulse currents up to 25A in accordance with the IEC 61000-4-5 standard.The low clamping voltage and low dynamic resistance help protect systems against transient events. This protection is critical because industrial systems require a high level of robustness and reliability. The Texas Instruments ESDS552 is available in a small leaded SOT-23 (DBZ) package.
Features
- IEC 61000-4-5 surge protection
- 25A (8/20µs)
- IEC 61000-4-2 ESD protection
- ±30kV contact discharge
- ±30kV air gap discharge
- 12V working voltage
- Bidirectional polarity to support positive and negative voltage swings
- Two-channel device provides complete ESD/Surge protection with a single component
- Small, leaded SOT-23 allows low-cost automatic optical inspection (AOI)
Applications
- End equipment
- Factory automation and control
- Building automation
- Grid infrastructure
- HVAC systems
- Security systems
- Interfaces
- RS-485
- RS-422
Typical Application Schematic
Publicado: 2024-04-17
| Actualizado: 2024-04-23
