CI de cargador de baterías de iones de litio de celda única bq2510x de Texas Instruments

CI de cargador de baterías de iones de litio
de celda única bq2510x de Texas Instruments

Los CI de cargador de baterías de iones de litio de celda única bq2510x de Texas Instruments son cargadores lineales de iones de litio y polímeros de litio muy integrados concebidos para aplicaciones portátiles con limitación de espacio. El rango de tensión de entrada alta con protección de sobretensión de entrada es compatible con adaptadores no regulados de bajo coste. El bq2510x incorpora una salida de alimentación única que carga la batería. Puede colocarse una carga del sistema en paralelo con la batería siempre que la carga media del sistema no evite que la batería se cargue completamente durante el temporizador de seguridad de 10 horas. La batería se carga en tres fases: acondicionamiento, corriente constante y tensión constante. En todas las fases de carga, un bucle de control interno monitoriza la temperatura de unión del CI y reduce la corriente de carga si se supera un umbral de temperatura interna. La etapa de potencia del cargador y las funciones de detección de la corriente de carga están completamente integradas. La función del cargador incluye bucles de regulación de alta precisión de la corriente y la tensión y terminación de carga. La corriente de precarga y el umbral de corriente de terminación se programan a través de una resistencia externa en el bq2510x. El valor de corriente de carga rápida también puede programarse a través de una resistencia externa.

Características

Carga
  • Precisión de tensión de carga del 1%
  • Precisión de corriente de carga del 10%
  • Compatible con aplicaciones para corrientes de carga muy bajas - 10 mA a 250 mA
  • Admite corriente de terminación de carga mínima de 1 mA
  • Corriente de fuga de salida de la batería ultrabaja: 75 nA máx.
  • Terminación y umbral de precarga ajustables
  • Compatibilidad con composiciones químicas de alta tensión: 4,35 V con bq25100H/01H, 4,30 V con bq25100A
Protección
  • Entrada nominal de 30 V; con protección de sobretensión de entrada de 6,5 V
  • Gestión de potencia dinámica con tensión de entrada
  • Regulación térmica de 125 °C; Protección de apagado térmico de 150 °C
  • Protección frente a cortocircuito OUT y detección de cortocircuito ISET
  • Funcionamiento en todo el rango JEITA a través de NTC de batería - 1/2 corriente de carga rápida en frío, 4,06 V (bq25100/01) o 4,2 V (bq25100H/01H) en caliente
  • Temporizador de seguridad de 10 horas fijo


Sistema
  • Modo de terminación automática y de desactivación de temporizador (TTDM) para paquete de baterías ausente
  • Disponible en paquete DSBGA pequeño de 1,60 mm × 0,90 mm

Aplicaciones
  • Accesorios de fitness
  • Relojes inteligentes
  • Auriculares Bluetooth®
  • Dispositivos portátiles de bajo consumo
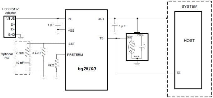
Aplicación habitual
Aplicación habitual
eNews
  • Texas Instruments
Publicado: 2014-10-03 | Actualizado: 2022-03-11