Amplificadores de potencia MOSFET TDA7851A / TDA7851F 4x45W de STMicroelectronics

Ver lista de productos

Recursos adicionales

Amplificadores de potencia MOSFET
TDA7851A / TDA7851F 4x45W de STMicroelectronics

Los amplificadores de potencia de puente cuádruple MOSFET TDA7851A y TDA7851F de STMicroelectronics están diseñados para aplicaciones de radio para vehículos de alta potencia. La estructura de salida de canal P/canal N completamente complementaria de los amplificadores de potencia de puente cuádruple TDA7851A y TDA7851F de STMicroelectronics permite un balanceo de tensión de salida de carril a carril. Los TDA7851A y TDA7851F establecen nuevas referencias de potencia en el ámbito de las radios para vehículos con rendimiento de distorsión inigualable.


Características
  • Tecnología BCD multipotencia
  • Capacidad de potencia de salida alta:
    • 4x45 W/4 Ω máx.
    • 4x28 W/4 Ω a 14,4 V, 1 KHz, 10%
    • 4x72 W/2 Ω máx.
  • Etapa de potencia de salida MOSFET
  • Excelente capacidad de control de 2 Ω
  • Distorsión de clase Hi-Fi
  • Ruido de salida bajo
  • Función en espera
  • Función de silencio
  • Silencio automático al producirse la detección de tensión de alimentación mín.
  • Cantidad baja de componentes externos:
    • Ganancia fijada internamente (26 dB)
    • Sin compensación interna
    • Sin capacidades bootstrap
  • Detector de compensación CC en la salida
  • Protecciones
    • Cortocircuito de salida a tierra, para VS, en toda la carga
    • Cargas muy inductivas
    • Temperatura en el chip sobrestimada con limitador térmico suave
    • Tensión de volcado de carga
Aplicaciones
  • Radio para vehículos de alta potencia

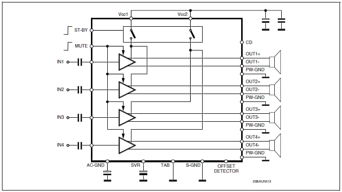
Diagrama de bloques

Diagrama de bloques
  • STMicroelectronics
  • Audio
  • Semiconductors|Integrated Circuits|IC-Amplifier|IC-Audio
Publicado: 2011-11-15 | Actualizado: 2022-03-11