Amplificadores de radio de vehículos de puente cuádruple
TDA7388A 4x42W de STMicroelectronics

Los amplificadores de radio de vehículos de puente cuádruple TDA7388A 4x42W de STMicroelectronics son amplificadores de potencia de audio de clase AB en un paquete Flexiwatt 27. Estos dispositivos de STMicroelectronics están diseñados para aplicaciones de radio de vehículos de alta gama y capacidad de potencia de salida alta y bajo nivel de ruido de salida y distorsión. El TDA7388A presenta una configuración de salida PNP/NPN completamente complementaria, que permite oscilación de la tensión de salida del carril sin necesidad de condensadores bootstrap. Los amplificadores de radio de vehículos de puente cuádruple TDA7388A también incorporan características de detector de recorte y de compensación.

Características
  • Capacidad de potencia de salida alta:
    • 4x42 W/4 Ω máx.
    • 4x27 W/4 Ω a 14,4 V, 1 KHz, 10%
  • Distorsión baja
  • Ruido de salida bajo
  • Función en espera
  • Función de silencio
  • Silencio automático al producirse la detección de tensión de alimentación mín.
  • Cantidad baja de componentes externos:
  • Detector de recorte
  • Detector de compensación
  • Facilidad de diagnóstico para:
    • Salida para cortocircuito a tierra
    • Salida para cortocircuito a VS
    • Cierre térmico
Aplicaciones
  • Radio para vehículos de gama alta

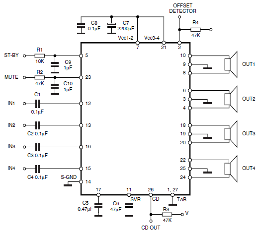
Circuito de aplicación

Circuito de aplicación
  • STMicroelectronics
  • Audio
  • Semiconductors|Integrated Circuits|IC-Amplifier|IC-Audio
Publicado: 2011-11-14 | Actualizado: 2022-03-11