STMicroelectronics Controladores de puerta de triple medio puente STDRIVE102
Los controladores de puerta de triple medio puente STDRIVE102 de STMicroelectronics están diseñados para la conducción de motores trifásicos sin escobillas. Debido a su modo de espera altamente eficiente, que reduce significativamente el consumo de corriente cuando el dispositivo no está activo, el STDRIVE102 es una solución ideal para aplicaciones de controladores de motor alimentados por batería, como herramientas eléctricas, aspiradoras y pequeños electrodomésticos.El STDRIVE102 cuenta con protecciones integradas, lo que aumenta la robustez general de la aplicación. Las protecciones incluyen bloqueo de baja tensión (UVLO) en cada suministro (VCC, VDD y voltaje de la bomba de carga), apagado térmico y supervisión de VDS en los MOSFET altos y bajos. Si se activa una protección, el pin de drenaje abierto nFAULT indica el evento. El STMicro STDRIVE102 tiene otro pin de drenaje abierto dedicado (FLAG) que muestra si el VCC de suministro del controlador de puerta cae por debajo del límite de protección. El dispositivo integra una operación de apagado inteligente que permite el apagado inmediato de las salidas del controlador en caso de fallo, minimizando el retraso de propagación entre el evento de detección de fallo y el apagado real de la salida.
Además del pin de alimentación principal (VS), el STDRIVE102 tiene un pin VM dedicado que debe conectarse al voltaje de alimentación del motor en correspondencia con los drenajes de los MOSFET de canal N de alta impedancia. El pin VM se utiliza para la supervisión integrada de VDS y como voltaje de referencia para la bomba de carga. Los pines VS y VM pueden funcionar con diferentes voltajes, lo que aumenta la flexibilidad del dispositivo.
Características
- Voltaje de funcionamiento de 6 V a 50 V
- Controladores de puerta con capacidad de corriente programable de hasta:
- Corriente de origen de 1 A
- Corriente de absorción de 2 A
- Alta resistencia contra sobrecargas y fallos subterráneos
- Bomba de carga para funcionamiento con ciclo de trabajo del 100 % con protección dedicada de bloqueo de baja tensión
- Gestión de energía flexible:
- Regulador lineal LDO de 12 V con protección dedicada de bloqueo de baja tensión
- Regulador lineal LDO de 3,3 V con protección dedicada de bloqueo de baja tensión
- Modo de espera para un bajo consumo de menos de 50 nA
- Protección de apagado térmico
- Supervisión VDS para una operación de conducción segura de los MOSFET de alimentación
- Interfaz analógica flexible:
- Hasta tres amplificadores operacionales de amplio ancho de banda
- Hasta tres comparadores de alta velocidad
- Modos de control duales:
- ENx/INx
- INHx/INLX con interbloqueo
- Retraso de propagación igualado para todos los canales
- Entradas lógicas de hasta 5 V compatibles con TTL
Aplicaciones
- Herramientas eléctricas alimentadas por batería
- Aspiradoras portátiles
- Bicicletas eléctricas
- Automatización industrial
- Robótica
- Bombas y ventiladores
Vídeos
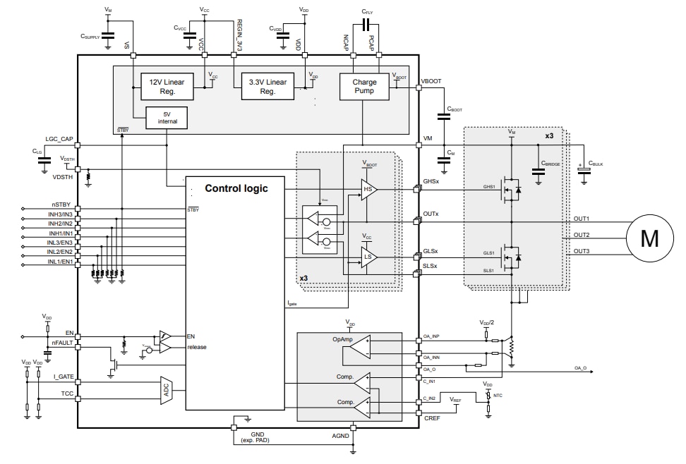
Diagrama de bloques de STDRIVE102BH/BP
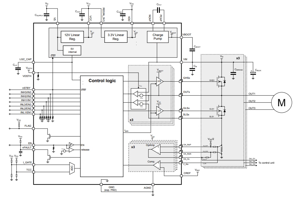
Diagrama de bloques de STDRIVE102H/P
