STMicroelectronics STEVAL-VP318L2F Converter Reference Design
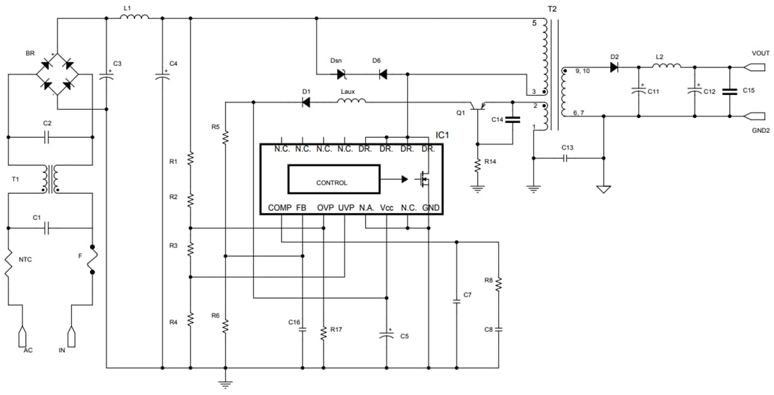
STMicroelectronics STEVAL-VP318L2F Converter Reference Design implements a 15V, 18W isolated flyback converter in primary-side regulation (PSR) developed for general purpose applications, operating from 90 to 265VAC. The reference design is built around the VIPER318LDTR offline high-voltage converter, which belongs to the STMicroelectronics VIPerPlus family. It features an 800V avalanche-rugged power MOSFET, PWM current mode control, fixed 60kHz switching frequency with jittering to meet electromagnetic disturbance standards, and burst mode for light load management. The evaluation board's main characteristics are small size, minimal BOM, high efficiency and tight line, load regulation over the entire input and output ranges. Input overvoltage and under-voltage protection, with separate and settable intervention thresholds, are available at OVP and UVP pins.Features
- 90 to 265VAC universal input mains range
- 50-60Hz frequency
- 15V output voltage
- 1.2A output current
- > 83% average efficiency
- Tight line and load regulation over the entire input and output ranges
- Meets IEC55022 Class B conducted EMI even with reduced EMI filter, thanks to the frequency jittering feature
- RoHS compliant
Circuit Schematic
Publicado: 2021-07-28
| Actualizado: 2022-03-11
