ON Semiconductor PureEdge™ VCXO

ON Semiconductor
PureEdge™ Crystal Oscillators

ON Semiconductor PureEdge™ VCXO is a voltage−controlled crystal oscillator designed to meet today's requirements for 3.3V LVPECL clock generation applications. ON Semiconductor PureEdge™ VCXOs use a high Q fundamental mode crystal and Phase Locked Loop (PLL) multiplier to provide a wide range of frequencies from 60MHz to 700MHz (factory configurable per user specifications with a pullable range of ±100ppm and a frequency stability of ±50ppm). The silicon−based PureEdge™ product design provides users with exceptional frequency stability and reliability. They produce an ultra low jitter and phase noise LVPECL differential output. The devices are members of ON Semiconductor's PureEdge™ clock family that provides accurate and precision clock generation solutions. They are available in the QSOP-20, 150mil and 5mm x 7mm SMD (CLCC) packages.


Features
  • LVPECL differential output
  • Control voltage with positive slope
  • Uses high Q fundamental
    mode crystal
  • Hermetically sealed ceramic
    SMD package
  • Pb-free and RoHS compliant
Specifications
  • Operating range: 2.5V ±5%, 3.3V ±10%
  • Ultra low jitter and phase noise: -0.5ps (12kHz - 20MHz)
  • Pullable range minimum: ±100ppm
  • Frequency stability: ±50ppm
  • Voltage control linearity: ±10%

Applications
  • Networking
  • SONET
  • 10 Gigabit ethernet
  • Networking base stations
  • Broadcasting



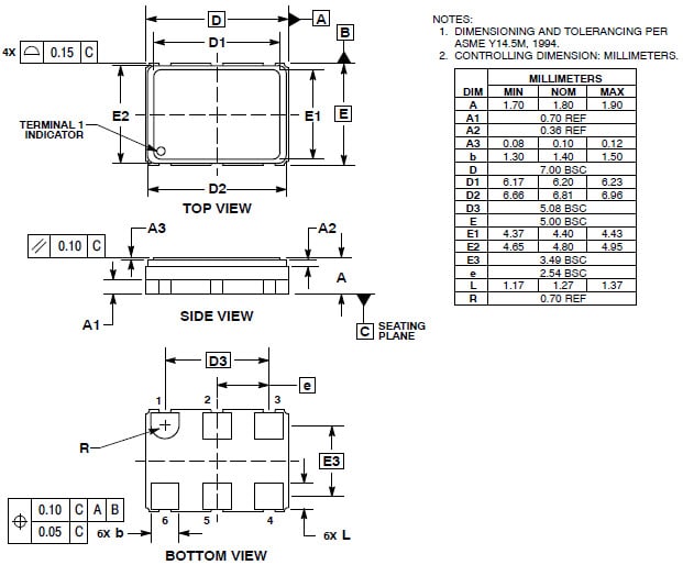
Package Dimensions in mm

Package Dimensions
  • ON Semiconductor
  • Audio|Medical|Wireless
  • Semiconductors|Integrated Circuits|IC-Clock & Timer
Publicado: 2018-11-08 | Actualizado: 2018-11-08