Monolithic Power Systems (MPS) MP3314A 80mA 50V Boost Converter

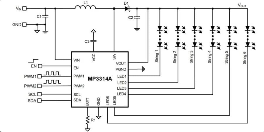
Monolithic Power Systems (MPS) MP3314A 80mA 50V Boost Converter includes six-channel current sources designed to drive WLED arrays for LCD panels in virtual reality (VR) backlighting applications. The device uses peak current mode and pulse-width modulation (PWM) control to maintain boost converter regulation. The integrated six-channel LED current source supports a maximum current of 80mA per channel.

The MP3314A provides two PWM input signals (PWM1 and PWM2) to control the brightness of LED channel 1 to 3 and LED channel 4 to 6, respectively. The device employs a standard I2C digital interface to set the LED current, switching frequency (fSW), frequency spread spectrum (FSS), and various protection thresholds.

The MP3314A supports a configurable switching slope and the FSS function to improve EMI performance. The device features high efficiency due to low-headroom voltage for LED regulation and the switching MOSFET’s low on resistance [RDS(ON)].

For system reliability, the MP3314A integrates rich protections, including LED open protection, LED short protection, over-current protection (OCP), over-voltage protection (OVP), and over-temperature protection. The MPS MP3314A is available in a WLCSP-20 (1.7mm x 2.45mm) package.

Features

  • Six channels with a maximum of 80mA/channel
  • Integrated 50V, 130mΩ RDS(ON) low-side MOSFET (LS-FET)
  • 3V to 30V input voltage (VIN) range
  • Up to 43V output voltage (VOUT)
  • 187.5mV LED regulation voltage at 20mA
  • 2% LED current (ILED) accuracy, <3% ILED matching at 20mA
  • 312kHz, 625kHz, or 1250kHz selectable switching frequencies (fSW)
  • I2C brightness control
  • Manual mode and direct PWM dimming
  • PWM1 and PWM2 input signals to control channels 1 to 3 and channels 4 to 6, respectively
  • Configurable switching slope and Frequency Spread Spectrum (FSS) function to improve EMI
  • One-Time Programmable (OTP) memory for customizable default register values
  • LED open/short protection
  • Over-temperature protection
  • OCP, inductor, or diode short protection
  • Available in a WLCSP-20 (1.7mm x 2.45mm) package

Applications

  • Virtual Reality (VR) displays
  • LCD panel backlighting

Block Diagram

Block Diagram - Monolithic Power Systems (MPS) MP3314A 80mA 50V Boost Converter
Publicado: 2026-02-02 | Actualizado: 2026-02-05