Infineon Technologies EVAL-1ED3890Mx12M Evaluation Board
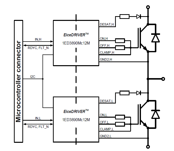
Infineon Technologies EVAL-1ED3890Mx12M Evaluation Board is designed to evaluate the functionalities and capabilities of 1ED3890MC12M or 1ED3890MU12M gate driver ICs. The 1ED38x0Mc12M family (X3 Digital) consists of galvanically isolated single-channel gate driver ICs in a small PG-DSO-16 package with a large creepage and clearance of 8mm. The gate driver ICs provide a typical peak output current of 3A, 6A, and 9A.The Infineon EVAL-1ED3890Mx12M Evaluation Board comes with unpopulated TO-247 transistor footprints. The Board has a size of 85mm × 85mm × 15mm3 without any power switches assembled.
Features
- 40V absolute maximum output supply voltage
- ±9A typical sourcing and sinking gate current capability
- Separate source and sink output for optimized gate driving
- Adjustable clamp/clamp driver/ADC pin
- I2C bus for parameter adjustment, state and fault feedback, ADC measurements and condition monitoring
- Two precise VCE(sat) detection (DESAT2) circuits with fault output, adjustable leading-edge blanking time an individually adjustable trigger voltages, filter times
- Two-level turn-off (TLTO) with adjustable slopes, plateau time and plateau level
- Selectable turn-off: hard turn-off and two-level turn-off
- Adjustable soft turn-off after desaturation detection
- Adjustable input filter
- Hardware undervoltage lockout (UVLO) protection with hysteresis for input side
- Adjustable hardware UVLO with hysteresis for IGBTs and MOSFETs on both VCC2 and VEE2 rails with active shutdown
- Adjustable software UVLO for accurate supply voltage monitoring on both VCC2 and VEE2 rails
- ADC measurement of internal parameters: supply voltages and internal temperature
- Pin state reporting via I2C and fault
- Internal counters for DESAT or UVLO events
- Gate driver operation at high ambient temperature up to 125°C with over-temperature shutdown at 160°C
(±10°C) - Tight IC-to-IC propagation delay propagation delay matching (tPDD,max = 30ns)
- Undervoltage lockout protection with hysteresis for input and output side with active shutdown
- High common-mode transient immunity CMTI = 200kV/μs
- Small space-saving DSO-16 fine-pitch package with large creepage distance (>8 mm)
- Gate driver safety certification:
- UL 1577 recognized (planned) with VISO,test = 6840V (rms) for 1s, VISO = 5700V (rms) for 60s
- IEC 60747-17/VDE 0884-11 approval (planned) with VIORM = 1.767kV (peak, reinforced)
Block Diagram
Publicado: 2021-06-14
| Actualizado: 2023-03-08
