Bobinas ajustables e inductores de RF de CoilcraftCoilcraft ofrece una amplia gama de bobinas e inductores de RF ajustables y fijos que incluye bobinados moldeados de precisión para garantizar una inclinación de bobinado constante y una relación coherente con la placa de circuitos impresos. Cada serie es compatible con RoHS. | ||||||||
Serie 132 de inductores de RF fijos
![]() Bobinas ajustables de 10 mm "Unicoil" series 142, 143 y 144
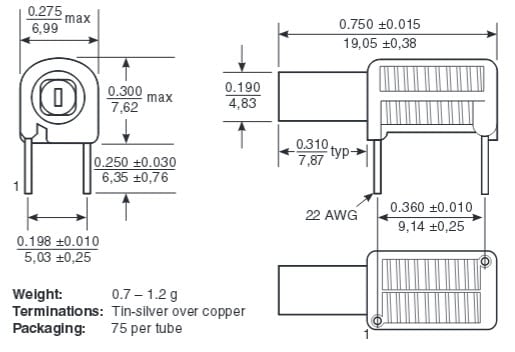
![]() Serie 148 de inductores de RF ajustables
Serie 164 y 165 de inductores ajustables de 5 mm "Unicoil"
![]() Estilos apantallados ![]() | ||||||||
![]() |
Publicado: 2017-03-17
| Actualizado: 2022-03-11












