Broadcom ACPL-K43CT & ACPL-K44CT R2Coupler™ Optocouplers
Broadcom ACPL-K43CT and ACPL-K44CT Automotive R2Coupler™ Optocouplers offer an eight-lead miniature footprint designed for automotive applications. The single-channel, high-temperature, high-CMR, high-speed digital optocouplers are available in the stretched SO-8 package outline developed to be compatible with standard surface-mount processes. The ACPL-K44CT is a dual-channel equivalent of the ACPL-K43CT.The Broadcom ACPL-K43CT and ACPL-K44CT digital optocouplers use an insulating layer between the light-emitting diode and an integrated photodetector to supply electrical insulation between input and output. Separate connections for the photodiode bias and output transistor collector reduce the base-collector capacitance, increasing the speed up to a hundred times over that of a conventional photo-transistor coupler.
Broadcom R2Coupler isolation devices enable reinforced insulation and reliability that produce safe signal isolation, critical in automotive and high-temperature industrial applications.
Features
- High temperature and reliability digital interface for automotive applications
- Ultra-low drive for status feedback at IF = 0.8mA or 1.5mA
- 30kV/μs (typical) high common-mode rejection at VCM =1500V
- Compact, auto-insertable stretched SO8 packages
- Qualified to AEC Q100 Grade 1 test guidelines
- 1MBd high speed
- -40°C to +125°C wide operating temperature range
- Low propagation delay of 1μs max. at IF = 10mA
- Worldwide safety approval
- UL 1577 approval, 5kVRMS/1 minute
- CSA approval
- IEC/EN 60747-5-5
Applications
- Automotive IPM driver for DC-DC converters and motor inverters
- Status feedback and wake-up signal isolation
- CANBus and SPI communications interface
- High-temperature digital/analog signal isolation
Specifications
- 20mA average forward input current
- 40mA peak forward input current
- 5V reversed input voltage
- 30mW input power dissipation (per channel)
- 100mW output power dissipation
- 8mA average output current
- 16mA peak output current
- -0.5V to +30V supply voltage
- 20V output voltage
- 10s/260°C lead soldering cycle
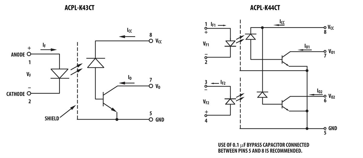
Functional Diagram
Schematics
Package Outline Dimensions mm
Publicado: 2025-01-13
| Actualizado: 2025-01-22
