Bourns AD & SD Miniature Thermal Cutoff Devices
Bourns AD and SD Miniature Thermal Cutoff (TCO) devices are resettable mini-breaker devices offering advanced overtemperature protection technologies. These TCO devices use a highly-rated corrosion-resistant bimetal mechanism for better endurance in humid environments. The SD and AD TCO devices are either non-automatically resettable (self-hold function) or automatically resettable (non-self-hold function). These TCO devices feature overcurrent protection and control abnormal, excessive current virtually instantaneously, up to rated limits.The SD and AD TCO devices operate at 4mΩ maximum resistance, 55°C to 150°C trip temperature range with ±5°C tolerance. These TCO devices are ideally used in heaters, motors, battery packs, and lithium-ion batteries in PCs, tablets, smartphones, and power banks.
Features
- Miniature Thermal Cutoff (TCO) devices
- Small body size
- Overtemperature and overcurrent protection
- Controls abnormal, excessive current virtually instantaneously, up to rated limits
- Wide range of temperature options
- RoHS compliant
Specifications
- 4mΩ maximum resistance
- 8V at 25°C for 1-minute minimum holding voltage
- 20°C or 40°C minimum reset temperature
- 300mA maximum leak current at 25℃
- 55°C to 150°C trip temperature range with ±5°C tolerance
- -40°C to 125°C application temperature range
Applications
- Heaters
- Motors
- Battery packs
- Lithium-ion batteries in PCs, tablets, smartphones, and power banks
Circuit Diagram
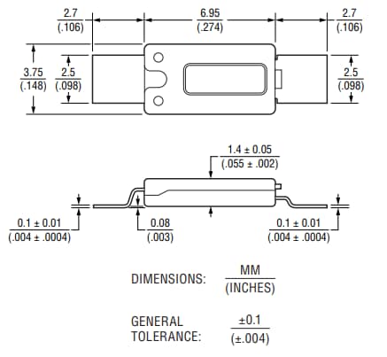
Dimension Diagram (AD Miniature Device)
Dimension Diagram (SD Miniature Device)
Publicado: 2023-03-06
| Actualizado: 2025-06-18
