Anderson Power Products SBS™ Mini Housing Connectors
Anderson Power Products SBS™ Mini Housing Connectors are the smallest SBS connector series and feature two finger-proof positions in a polycarbonate housing with an ergonomic grip. The housing securely holds crimp and poke contacts from the Powerpole® 15-45 series of connectors. SBS Mini Housing series offers color-coded mechanical keys and features up to 52A power and 600V voltage rating. These connectors offer inline or wire-to-wire configurations and 20AWG (0.75mm2) minimum and 10AWG (4mm2) maximum wire size. The Anderson Power Products SBS mini housing connectors series has a -20°C to +105°C temperature range.Features
- Touch-safe housing
- Color-coded mechanical keys
- Compact and ergonomic housing
- UL Hot Plug rated to 45A, 72V
Specifications
- Inline, wire-to-wire configurations
- Wire size
- 10AWG (4mm²) maximum
- 20AWG (0.75mm²) minimum
- -20°C to +105°C operating temperature range
- 52A power
- 600V voltage rating
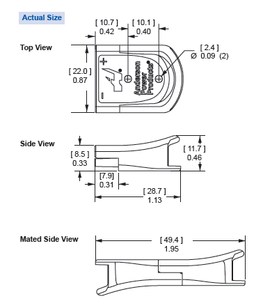
Dimensions
Publicado: 2015-11-30
| Actualizado: 2022-03-11
