Analog Devices Inc. LT8652S Step-Down Silent Switcher® Regulators

Analog Devices LT8652S Synchronous Step-Down Silent Switcher® Regulators are dual step-down regulators that deliver up to 8.5A of continuous current from both channels and support loads up to 12A from each channel. The LT8652S uses second-generation Silent Switcher technology, including integrated bypass capacitors, that deliver a high-frequency, high-efficiency, small solution with excellent EMI performance. The Analog Devices LT8652S is ideal for noise-sensitive applications such as PLLs and high-bandwidth data and communications systems.

The fast, clean, low overshoot switching edges enable high-efficiency operation even at high switching frequencies, enabling a wide control loop bandwidth for a fast transient response. Output current monitoring and limiting allows inductors to be selected for the maximum output current in a given application. Differential output voltage sensing provides accurate voltage regulation at the point of load for high current applications. The two channels can be combined to deliver 17A, and two LT8652S ICs can be combined for a 4-phase, 34A supply.

Features

  • Silent Switcher 2 architecture
    • Ultra-low EMI on any PCB
    • Eliminates PCB layout sensitivity
    • Internal bypass capacitors reduce radiated EMI
    • Spread spectrum frequency modulation
  • 8.5A DC from each channel simultaneously
  • Up to 12A on either channel
  • Ultralow quiescent current Burst Mode® operation:
    • 16µA IQ regulating 12VIN to 3.3VOUT (both channels)
    • <10mVP-P output ripple
  • ±1.2% 600mV feedback voltage with remote sense
  • Output current monitor pins with current limiting
  • Forced continuous mode
  • CLKOUT for up to 4-phase operation
  • 93.6% efficiency at 6A, 3.3VOUT from 12VIN at 1MHz
  • 85.6% efficiency at 6A, 1.0VOUT from 12VIN at 1MHz
  • 20ns fast minimum switch-on time
  • 300kHz to 3MHz adjustable and synchronizable frequency
  • Small 4mm x 7mm 36-pin LQFN package
  • AEC-Q100 qualified for automotive applications

Applications

  • Server power applications
  • General purpose step-down

Typical Application

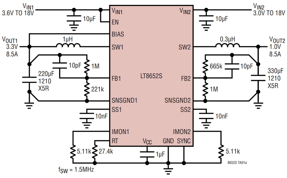
Application Circuit Diagram - Analog Devices Inc. LT8652S Step-Down Silent Switcher® Regulators

Technical Articles

  • DC-to-DC Converter Solution for Signal and Data Processing Circuits
    The processing power of FPGAs, SoCs, and microprocessors continually increases, resulting in corresponding increases in raw power requirements. As the number of required power rails and their carrying capacity increases, it is imperative to think small and fast with regard to design and performance of the power system.

Publicado: 2020-06-05 | Actualizado: 2025-03-25