![]() | ||
LED DURIS™ E5 DE OSRAMLos LED DURIS™ E5 de OSRAM Opto Semiconductors ofrecen una elevada eficacia de hasta 112 lm/W (a 6000K / 70 CRI) y un amplio ángulo de distribución de luz de 120º en un tamaño compacto (5,6 mm x 3,0 mm). Estos LED de 0,5 W tienen categoría ANSI de 2700 K a 6500 K CCT, con opciones CRI entre 70 y 85. El flujo luminoso típico oscila desde 41 lm (3000 K / 85 CRI) hasta 45 lm (6000 K / 70 CRI) a 120 mA. Estas características hacen de los LED DURIS™ E 5 los LED ideales para aplicaciones de iluminación homogénea en las que los DURIS™ E 5 no dejan de impresionar con su rendimiento al nivel del sistema. Las características y ventajas de empaquetamiento para esta serie incluyen la tecnología desarrollada con InGaN sobre Sapphire, y el paquete SMT blanco con resina difusa de silicona. Las aplicaciones más habituales para los LED Duris E 5 incluyen las bombillas modernas, luces para puestos de trabajo, línea blanca y letras de carteles. También disponible Ver los LED DURIS™ E 3 de OSRAM Opto Semiconductors
| ||
|
| ||
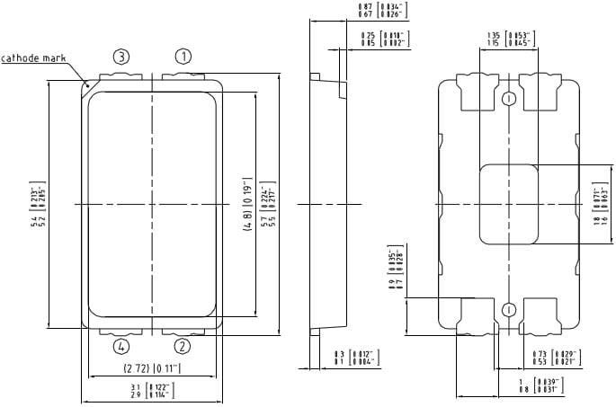
Dimensiones del paquete en mm ![]() | ||
![]() |
Publicado: 2011-12-07
| Actualizado: 2025-06-20





