![]() |
Ordenadores de placa única PC/104 CM1-BT1 de ADLINK |
|
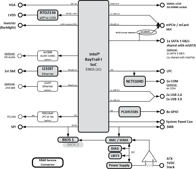
Los ordenadores de placa única PC/104 CM1-BT1 de ADLINK están basados en un sistema de procesadores Intel Atom de uno o dos núcleos integrado en chip con hasta 4 GB de RAM DDR3L que funcionan a 1333 MHz. El CM1-BT1 admite salida LVDS y VGA, Gigabit Ethernet, 1 SATA, 1 USB3.0, 2 USB2.0 y 8 GPIO. Este ordenador de placa única está diseñado para entornos con condiciones ambientales severas con temperaturas de funcionamiento entre -40 °C y 85 °C. Admite además funciones de Agente de gestión embebido inteligente (SEMA) Características
|
Diagrama de bloques![]() |
Procesadores Intel E3800 AtomLa familia de procesadores Intel E3800 Atom es el primer sistema en chip (SoC) diseñado para sistemas inteligentes, que permite un rendimiento informático, gráfico y multimedia excelente mientras que funciona en una amplia gama de condiciones térmicas. Cabe destacar la alta conectividad de E/S, el controlador de memoria integrado, la virtualización, el código de conexión de errores (ECC) y las funciones de seguridad integradas con un rango de consumo de diseño térmico (TDP) de entre 5 W y 10 W. Esta familia de productos es ideal para flujos de trabajo de imágenes eficientes, para la señalización digital con entrega de contenidos segura, clientes interactivos con una visualización atractiva (kioskos interactivos, máquinas expendedoras inteligentes, ATM y terminales de puntos de venta (POS), dispositivos médicos portátiles, sistemas de control industrial y sistemas de entretenimiento en vehículos (IVI). |
![]() |
Publicado: 2014-11-05
| Actualizado: 2022-03-11






Hoja de datos